HOME >> Services >> Partners >> FAG Bearing
FAG Bearing
IKO Bearing
INA Bearing
KOYO Bearing
NACHI Bearing
NSK Bearing
NTN Bearing
SKF Bearing
TIMKEN Bearing

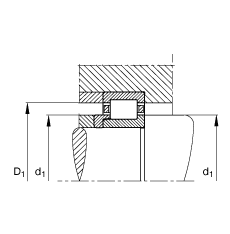
Bearing number : NJ2222-E-TVP2 + HJ2222-E
Size (mm) : 110x200x53
Brand : FAG
Bore Diameter (mm) : 110
Outer Diameter (mm) : 200
Width (mm) : 53
d - 110 mm
D - 200 mm
B - 53 mm
B1 - 11 mm
B2 - 19,5 mm
D1 - 173,8 mm
Da max - 188 mm
d1 - 141,6 mm
da max - 130 mm
da min - 122 mm
dc min - 144 mm
E - 180,5 mm
F - 132,5 mm
r1 min - 2,1 mm
ra max - 2,1 mm
rmin - 2,1 mm
s - 4 mm / Axial displacement facility from central position
- HJ2222-E / Designation, L-section ring
m - 6,89 kg / Weight
m1 - 0,647 kg
Cr - 455000 N / Dynamic load rating (radial)
C0r - 520000 N / Static load rating (radial)
nG - 4100 1/min / Limiting speed
nB - 2800 1/min / Reference speed
Cur - 86000 N / Fatigue limit load, radial
Main dimensions to DIN 5412-1, with L-section ring, locating bearing, separable, with cage