HOME >> Services >> Partners >> FAG Bearing
FAG Bearing
IKO Bearing
INA Bearing
KOYO Bearing
NACHI Bearing
NSK Bearing
NTN Bearing
SKF Bearing
TIMKEN Bearing

Bearing number : NJ2312-E-TVP2 + HJ2312-E
Size (mm) : 60x130x46
Brand : FAG
Bore Diameter (mm) : 60
Outer Diameter (mm) : 130
Width (mm) : 46
d - 60 mm
D - 130 mm
B - 46 mm
B1 - 9 mm
B2 - 16 mm
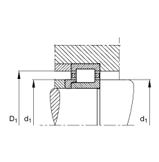
D1 - 109,6 mm
Da max - 118 mm
d1 - 84,4 mm
da max - 75 mm
da min - 72 mm
dc min - 86 mm
E - 115 mm
F - 77 mm
r1 min - 2,1 mm
ra max - 2,1 mm
rmin - 2,1 mm
s - 3,5 mm / Axial displacement facility from central position
- HJ2312-E / Designation, L-section ring
m - 2,83 kg / Weight
m1 - 0,238 kg
Cr - 265000 N / Dynamic load rating (radial)
C0r - 260000 N / Static load rating (radial)
nG - 6500 1/min / Limiting speed
nB - 4300 1/min / Reference speed
Cur - 49500 N / Fatigue limit load, radial
Main dimensions to DIN 5412-1, with L-section ring, locating bearing, separable, with cage