HOME >> Services >> Partners >> FAG Bearing
FAG Bearing
IKO Bearing
INA Bearing
KOYO Bearing
NACHI Bearing
NSK Bearing
NTN Bearing
SKF Bearing
TIMKEN Bearing

Bearing number : NJ2313-E-TVP2 + HJ2313-E
Size (mm) : 65x140x48
Brand : FAG
Bore Diameter (mm) : 65
Outer Diameter (mm) : 140
Width (mm) : 48
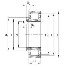
d - 65 mm
D - 140 mm
B - 48 mm
B1 - 10 mm
B2 - 18 mm
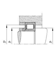
D1 - 118,6 mm
Da max - 128 mm
d1 - 90,5 mm
da max - 81 mm
da min - 77 mm
dc min - 93 mm
E - 124,5 mm
F - 82,5 mm
r1 min - 2,1 mm
ra max - 2,1 mm
rmin - 2,1 mm
s - 4 mm / Axial displacement facility from central position
- HJ2313-E / Designation, L-section ring
m - 3,38 kg / Weight
m1 - 0,303 kg
Cr - 295000 N / Dynamic load rating (radial)
C0r - 285000 N / Static load rating (radial)
nG - 5900 1/min / Limiting speed
nB - 4050 1/min / Reference speed
Cur - 53000 N / Fatigue limit load, radial
Main dimensions to DIN 5412-1, with L-section ring, locating bearing, separable, with cage