HOME >> Services >> Partners >> FAG Bearing
FAG Bearing
IKO Bearing
INA Bearing
KOYO Bearing
NACHI Bearing
NSK Bearing
NTN Bearing
SKF Bearing
TIMKEN Bearing

Bearing number : NJ2317-E-TVP2 + HJ2317-E
Size (mm) : 85x180x60
Brand : FAG
Bore Diameter (mm) : 85
Outer Diameter (mm) : 180
Width (mm) : 60
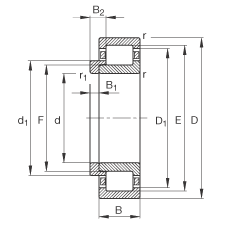
d - 85 mm
D - 180 mm
B - 60 mm
B1 - 12 mm
B2 - 22 mm
D1 - 152,7 mm
Da max - 166 mm
d1 - 117,8 mm
da max - 106 mm
da min - 99 mm
dc min - 119 mm
E - 160 mm
F - 108 mm
r1 min - 3 mm
ra max - 2,5 mm
rmin - 3 mm
s - 4,7 mm / Axial displacement facility from central position
- HJ2317-E / Designation, L-section ring
m - 6,85 kg / Weight
m1 - 0,606 kg
Cr - 435000 N / Dynamic load rating (radial)
C0r - 445000 N / Static load rating (radial)
nG - 4550 1/min / Limiting speed
nB - 3350 1/min / Reference speed
Cur - 80000 N / Fatigue limit load, radial
Main dimensions to DIN 5412-1, with L-section ring, locating bearing, separable, with cage