HOME >> Services >> Partners >> FAG Bearing
FAG Bearing
IKO Bearing
INA Bearing
KOYO Bearing
NACHI Bearing
NSK Bearing
NTN Bearing
SKF Bearing
TIMKEN Bearing

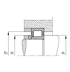
Bearing number : NJ2330-E-M1 + HJ2330-E
Size (mm) : 150x320x108
Brand : FAG
Bore Diameter (mm) : 150
Outer Diameter (mm) : 320
Width (mm) : 108
d - 150 mm
D - 320 mm
B - 108 mm
B1 - 15 mm
B2 - 31,5 mm
D1 - 269,8 mm
Da max - 303 mm
d1 - 209,5 mm
da max - 190 mm
da min - 167 mm
dc min - 213 mm
E - 283 mm
F - 193 mm
r1 min - 4 mm
ra max - 3 mm
rmin - 4 mm
s - 9,7 mm / Axial displacement facility from central position
- HJ2330-E / Designation, L-section ring
m - 44,1 kg / Weight
m1 - 2,55 kg
Cr - 1380000 N / Dynamic load rating (radial)
C0r - 1600000 N / Static load rating (radial)
nG - 3200 1/min / Limiting speed
nB - 1480 1/min / Reference speed
Cur - 246000 N / Fatigue limit load, radial
Main dimensions to DIN 5412-1, with L-section ring, locating bearing, separable, with cage