HOME >> Services >> Partners >> FAG Bearing
FAG Bearing
IKO Bearing
INA Bearing
KOYO Bearing
NACHI Bearing
NSK Bearing
NTN Bearing
SKF Bearing
TIMKEN Bearing

Bearing number : NJ2332-E-M1 + HJ2332-E
Size (mm) : 160x340x114
Brand : FAG
Bore Diameter (mm) : 160
Outer Diameter (mm) : 340
Width (mm) : 114
d - 160 mm
D - 340 mm
B - 114 mm
B1 - 15 mm
B2 - 32 mm
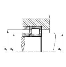
D1 - 286 mm
Da max - 323 mm
d1 - 221,6 mm
da max - 200 mm
da min - 177 mm
dc min - 228 mm
E - 300 mm
F - 204 mm
r1 min - 4 mm
ra max - 3 mm
rmin - 4 mm
s - 9,9 mm / Axial displacement facility from central position
- HJ2332-E / Designation, L-section ring
m - 52,3 kg / Weight
m1 - 2,85 kg
Cr - 1320000 N / Dynamic load rating (radial)
C0r - 1820000 N / Static load rating (radial)
nG - 3000 1/min / Limiting speed
nB - 1350 1/min / Reference speed
Cur - 226000 N / Fatigue limit load, radial
Main dimensions to DIN 5412-1, with L-section ring, locating bearing, separable, with cage