HOME >> Services >> Partners >> FAG Bearing
FAG Bearing
IKO Bearing
INA Bearing
KOYO Bearing
NACHI Bearing
NSK Bearing
NTN Bearing
SKF Bearing
TIMKEN Bearing

Bearing number : NJ238-E-M1 + HJ238-E
Size (mm) : 190x340x55
Brand : FAG
Bore Diameter (mm) : 190
Outer Diameter (mm) : 340
Width (mm) : 55
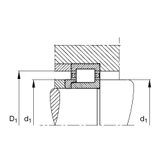
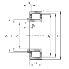
d - 190 mm
D - 340 mm
B - 55 mm
B1 - 13 mm
B2 - 21,5 mm
D1 - 295 mm
Da max - 323 mm
d1 - 244 mm
da max - 227 mm
da min - 207 mm
dc min - 247 mm
E - 306 mm
F - 230 mm
r1 min - 4 mm
ra max - 3 mm
rmin - 4 mm
s - 4,7 mm / Axial displacement facility from central position
- HJ238-E / Designation, L-section ring
m - 23,2 kg / Weight
m1 - 2,17 kg
Cr - 680000 N / Dynamic load rating (radial)
C0r - 930000 N / Static load rating (radial)
nG - 3050 1/min / Limiting speed
nB - 1750 1/min / Reference speed
Cur - 111000 N / Fatigue limit load, radial
Main dimensions to DIN 5412-1, with L-section ring, locating bearing, separable, with cage