HOME >> Services >> Partners >> FAG Bearing
FAG Bearing
IKO Bearing
INA Bearing
KOYO Bearing
NACHI Bearing
NSK Bearing
NTN Bearing
SKF Bearing
TIMKEN Bearing

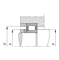
Bearing number : NJ240-E-M1 + HJ240-E
Size (mm) : 200x360x58
Brand : FAG
Bore Diameter (mm) : 200
Outer Diameter (mm) : 360
Width (mm) : 58
d - 200 mm
D - 360 mm
B - 58 mm
B1 - 14 mm
B2 - 23 mm
D1 - 311,5 mm
Da max - 343 mm
d1 - 257,6 mm
da max - 240 mm
da min - 217 mm
dc min - 261 mm
E - 323 mm
F - 243 mm
r1 min - 4 mm
ra max - 3 mm
rmin - 4 mm
s - 4,8 mm / Axial displacement facility from central position
- HJ240-E / Designation, L-section ring
m - 27,5 kg / Weight
m1 - 2,62 kg
Cr - 750000 N / Dynamic load rating (radial)
C0r - 1040000 N / Static load rating (radial)
nG - 2900 1/min / Limiting speed
nB - 1620 1/min / Reference speed
Cur - 122000 N / Fatigue limit load, radial
Main dimensions to DIN 5412-1, with L-section ring, locating bearing, separable, with cage