HOME >> Services >> Partners >> FAG Bearing
FAG Bearing
IKO Bearing
INA Bearing
KOYO Bearing
NACHI Bearing
NSK Bearing
NTN Bearing
SKF Bearing
TIMKEN Bearing

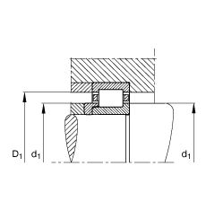
Bearing number : NJ303-E-TVP2 + HJ303-E
Size (mm) : 17x47x14
Brand : FAG
Bore Diameter (mm) : 17
Outer Diameter (mm) : 47
Width (mm) : 14
d - 17 mm
D - 47 mm
B - 14 mm
B1 - 4 mm
B2 - 6,5 mm
D1 - 37,1 mm
Da max - 42,8 mm
d1 - 27,6 mm
da max - 23,5 mm
da min - 21,2 mm
dc min - 28 mm
E - 40,2 mm
F - 24,2 mm
r1 min - 0,6 mm
ra max - 1 mm
rmin - 1 mm
s - 1,2 mm / Axial displacement facility from central position
- HJ303-E / Designation, L-section ring
m - 0,124 kg / Weight
m1 - 0,014 kg
Cr - 30000 N / Dynamic load rating (radial)
C0r - 21200 N / Static load rating (radial)
nG - 19600 1/min / Limiting speed
nB - 13700 1/min / Reference speed
Cur - 3350 N / Fatigue limit load, radial
Main dimensions to DIN 5412-1, with L-section ring, locating bearing, separable, with cage