HOME >> Services >> Partners >> FAG Bearing
FAG Bearing
IKO Bearing
INA Bearing
KOYO Bearing
NACHI Bearing
NSK Bearing
NTN Bearing
SKF Bearing
TIMKEN Bearing

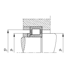
Bearing number : NJ308-E-TVP2 + HJ308-E
Size (mm) : 40x90x23
Brand : FAG
Bore Diameter (mm) : 40
Outer Diameter (mm) : 90
Width (mm) : 23
d - 40 mm
D - 90 mm
B - 23 mm
B1 - 7 mm
B2 - 11 mm
D1 - 75,9 mm
Da max - 81 mm
d1 - 57,6 mm
da max - 51 mm
da min - 49 mm
dc min - 60 mm
E - 80 mm
F - 52 mm
r1 min - 1,5 mm
ra max - 1,5 mm
rmin - 1,5 mm
s - 1,3 mm / Axial displacement facility from central position
- HJ308-E / Designation, L-section ring
m - 0,674 kg / Weight
m1 - 0,087 kg
Cr - 96000 N / Dynamic load rating (radial)
C0r - 79000 N / Static load rating (radial)
nG - 9500 1/min / Limiting speed
nB - 7300 1/min / Reference speed
Cur - 13500 N / Fatigue limit load, radial
Main dimensions to DIN 5412-1, with L-section ring, locating bearing, separable, with cage