HOME >> Services >> Partners >> FAG Bearing
FAG Bearing
IKO Bearing
INA Bearing
KOYO Bearing
NACHI Bearing
NSK Bearing
NTN Bearing
SKF Bearing
TIMKEN Bearing

Bearing number : NJ318-E-TVP2 + HJ318-E
Size (mm) : 90x190x43
Brand : FAG
Bore Diameter (mm) : 90
Outer Diameter (mm) : 190
Width (mm) : 43
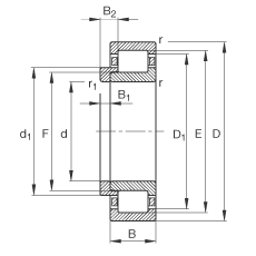
d - 90 mm
D - 190 mm
B - 43 mm
B1 - 12 mm
B2 - 18,5 mm
D1 - 161,6 mm
Da max - 176 mm
d1 - 124 mm
da max - 111 mm
da min - 104 mm
dc min - 127 mm
E - 169,5 mm
F - 113,5 mm
r1 min - 3 mm
ra max - 2,5 mm
rmin - 3 mm
s - 1,5 mm / Axial displacement facility from central position
- HJ318-E / Designation, L-section ring
m - 5,49 kg / Weight
m1 - 0,623 kg
Cr - 370000 N / Dynamic load rating (radial)
C0r - 350000 N / Static load rating (radial)
nG - 4250 1/min / Limiting speed
nB - 3750 1/min / Reference speed
Cur - 59000 N / Fatigue limit load, radial
Main dimensions to DIN 5412-1, with L-section ring, locating bearing, separable, with cage