HOME >> Services >> Partners >> FAG Bearing
FAG Bearing
IKO Bearing
INA Bearing
KOYO Bearing
NACHI Bearing
NSK Bearing
NTN Bearing
SKF Bearing
TIMKEN Bearing

Bearing number : NJ320-E-TVP2 + HJ320-E
Size (mm) : 100x215x47
Brand : FAG
Bore Diameter (mm) : 100
Outer Diameter (mm) : 215
Width (mm) : 47
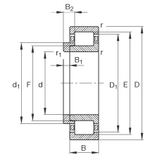
d - 100 mm
D - 215 mm
B - 47 mm
B1 - 13 mm
B2 - 20,5 mm
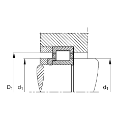
D1 - 182 mm
Da max - 201 mm
d1 - 139,4 mm
da max - 125 mm
da min - 114 mm
dc min - 143 mm
E - 191,5 mm
F - 127,5 mm
r1 min - 3 mm
ra max - 2,5 mm
rmin - 3 mm
s - 1,2 mm / Axial displacement facility from central position
- HJ320-E / Designation, L-section ring
m - 7,82 kg / Weight
m1 - 0,883 kg
Cr - 450000 N / Dynamic load rating (radial)
C0r - 425000 N / Static load rating (radial)
nG - 3700 1/min / Limiting speed
nB - 3400 1/min / Reference speed
Cur - 71000 N / Fatigue limit load, radial
Main dimensions to DIN 5412-1, with L-section ring, locating bearing, separable, with cage