HOME >> Services >> Partners >> SKF Bearing
FAG Bearing
IKO Bearing
INA Bearing
KOYO Bearing
NACHI Bearing
NSK Bearing
NTN Bearing
SKF Bearing
TIMKEN Bearing

Bearing number : 02872/02820/Q
Size (mm) : 28.575x73.025x22.225
Brand : SKF
Bore Diameter (mm) : 28,575
Outer Diameter (mm) : 73,025
Width (mm) : 22,225
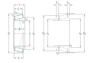
d - 28,575 mm
D - 73,025 mm
T - 22,225 mm
B - 22,225 mm
C - 17,462 mm
a - 26 mm
d1 - 54,2 mm
r1 min. - 0,8 mm
r2 min. - 0,8 mm
r3 min. - 3,3 mm
r4 min. - 3,3 mm
Ca min. - 3 mm
Cb min. - 4,5 mm
da max - 44 mm
Da min - 60 mm
Da max. - 61,5 mm
db min - 33,5 mm
Db min. - 67 mm
ra max. - 0,8 mm
rb max. - 3,1 mm
Weight - 0,49 Kg
Basic dynamic load rating (C) - 57,2 kN
Basic static load rating (C0) - 69,5 kN
Fatigue load limit (Pu) - 7,5
Reference speed - 7000 r/min
Limiting speed - 10000 r/min
Calculation factor (e) - 0,54
Calculation factor (Y) - 1,1
Calculation factor (Y0) - 0,7