HOME >> Services >> Partners >> SKF Bearing
FAG Bearing
IKO Bearing
INA Bearing
KOYO Bearing
NACHI Bearing
NSK Bearing
NTN Bearing
SKF Bearing
TIMKEN Bearing

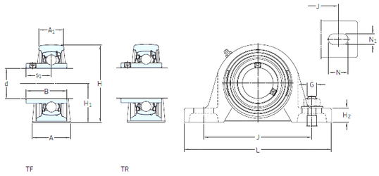
Bearing number : SYH 1.15/16 WF
Brand : SKF
Bore Diameter (mm) : 49,213
d - 49,213 mm
s1 - 38,1 mm
A - 54 mm
A1 - 34 mm
B1 - 62,7 mm
H - 113,5 mm
H1 - 55,6 mm
H2 - 21,4 mm
J - 157 mm
L - 203 mm
N - 26 mm
N1 - 18 mm
Thread (G) - 16
Weight - 2,95 Kg
Basic dynamic load rating (C) - 35,1 kN
Basic static load rating (C0) - 23,2 kN
Fatigue load limit (Pu) - 0,98
Limiting speed - 4 000 r/min