HOME >> Services >> Partners >> SKF Bearing
FAG Bearing
IKO Bearing
INA Bearing
KOYO Bearing
NACHI Bearing
NSK Bearing
NTN Bearing
SKF Bearing
TIMKEN Bearing

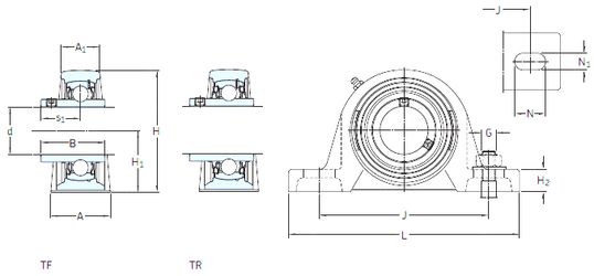
Bearing number : SYH 1.3/16 FM
Brand : SKF
Bore Diameter (mm) : 30,163
d - 30,163 mm
s1 - 26,7 mm
A - 40 mm
A1 - 25 mm
B1 - 35,7 mm
H - 80 mm
H1 - 39,7 mm
H2 - 14,8 mm
J - 117,5 mm
L - 152 mm
N - 23,5 mm
N1 - 14 mm
Thread (G) - 12
Weight - 1,15 Kg
Basic dynamic load rating (C) - 19,5 kN
Basic static load rating (C0) - 11,2 kN
Fatigue load limit (Pu) - 0,475
Limiting speed - 6 300 r/min