HOME >> Services >> Partners >> SKF Bearing
FAG Bearing
IKO Bearing
INA Bearing
KOYO Bearing
NACHI Bearing
NSK Bearing
NTN Bearing
SKF Bearing
TIMKEN Bearing

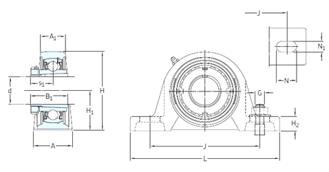
Bearing number : SYJ 25 KF+HE 2305
Brand : SKF
Bore Diameter (mm) : 19,05
d - 19,05 mm
s1 - 20 mm
A - 38 mm
A1 - 24 mm
B1 - 35 mm
G - 12 mm
H - 70,5 mm
H1 - 36,5 mm
H2 - 16 mm
J - 102 mm
L - 140 mm
N - 21,5 mm
N1 - 13 mm
Weight - 0,63 Kg
Basic dynamic load rating (C) - 14 kN
Basic static load rating (C0) - 7,8 kN
Fatigue load limit (Pu) - 0,335
Limiting speed - 7 000 r/min