HOME >> Services >> Partners >> SKF Bearing
FAG Bearing
IKO Bearing
INA Bearing
KOYO Bearing
NACHI Bearing
NSK Bearing
NTN Bearing
SKF Bearing
TIMKEN Bearing

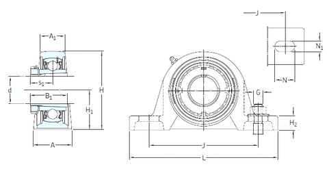
Bearing number : SYJ 40 KF+HE 2308
Brand : SKF
Bore Diameter (mm) : 31,75
d - 31,75 mm
s1 - 27 mm
A - 49 mm
A1 - 31 mm
B1 - 46 mm
G - 14 mm
H - 99 mm
H1 - 49,2 mm
H2 - 18 mm
J - 136,5 mm
L - 184 mm
N - 25,5 mm
N1 - 17 mm
Weight - 1,8 Kg
Basic dynamic load rating (C) - 30,7 kN
Basic static load rating (C0) - 19 kN
Fatigue load limit (Pu) - 0,8
Limiting speed - 4 800 r/min