HOME >> Services >> Partners >> SKF Bearing
FAG Bearing
IKO Bearing
INA Bearing
KOYO Bearing
NACHI Bearing
NSK Bearing
NTN Bearing
SKF Bearing
TIMKEN Bearing

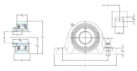
Bearing number : SYJ 45 KF+H 2309
Brand : SKF
Bore Diameter (mm) : 40
d - 40 mm
s1 - 28,5 mm
A - 52 mm
A1 - 36 mm
B1 - 50 mm
G - 14 mm
H - 107,5 mm
H1 - 54 mm
H2 - 20 mm
J - 143,5 mm
L - 190 mm
N - 23,5 mm
N1 - 17 mm
Weight - 2,1 Kg
Basic dynamic load rating (C) - 33,2 kN
Basic static load rating (C0) - 21,6 kN
Fatigue load limit (Pu) - 0,915
Limiting speed - 4 300 r/min