HOME >> Services >> Partners >> SKF Bearing
FAG Bearing
IKO Bearing
INA Bearing
KOYO Bearing
NACHI Bearing
NSK Bearing
NTN Bearing
SKF Bearing
TIMKEN Bearing

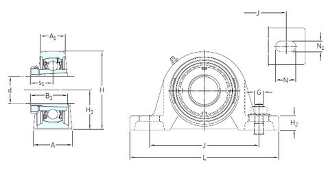
Bearing number : SYJ 50 KF+H 2310
Brand : SKF
Bore Diameter (mm) : 45
d - 45 mm
s1 - 30,5 mm
A - 58 mm
A1 - 38 mm
B1 - 55 mm
G - 16 mm
H - 114,5 mm
H1 - 57,2 mm
H2 - 22 mm
J - 157,5 mm
L - 206 mm
N - 26,5 mm
N1 - 20 mm
Weight - 2,75 Kg
Basic dynamic load rating (C) - 35,1 kN
Basic static load rating (C0) - 23,2 kN
Fatigue load limit (Pu) - 0,98
Limiting speed - 4 000 r/min