HOME >> Services >> Partners >> SKF Bearing
FAG Bearing
IKO Bearing
INA Bearing
KOYO Bearing
NACHI Bearing
NSK Bearing
NTN Bearing
SKF Bearing
TIMKEN Bearing

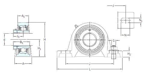
Bearing number : SYJ 65 KF+H 2313
Brand : SKF
Bore Diameter (mm) : 60
d - 60 mm
s1 - 35,8 mm
A - 70 mm
A1 - 49 mm
B1 - 65 mm
G - 20 mm
H - 151 mm
H1 - 76,2 mm
H2 - 27 mm
J - 203 mm
L - 265 mm
N - 35 mm
N1 - 25 mm
Weight - 6,35 Kg
Basic dynamic load rating (C) - 57,2 kN
Basic static load rating (C0) - 40 kN
Fatigue load limit (Pu) - 1,7
Limiting speed - 3 000 r/min