HOME >> Services >> Partners >> SKF Bearing
FAG Bearing
IKO Bearing
INA Bearing
KOYO Bearing
NACHI Bearing
NSK Bearing
NTN Bearing
SKF Bearing
TIMKEN Bearing

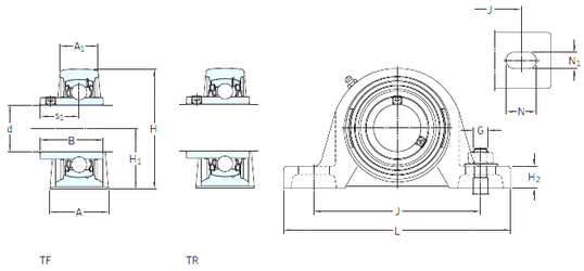
Bearing number : SYM 2.3/16 TF
Brand : SKF
Bore Diameter (mm) : 55,563
d - 55,563 mm
s1 - 39,7 mm
A - 60 mm
A1 - 42 mm
B - 65,1 mm
G - 16 mm
H - 139,5 mm
H1 - 69,9 mm
H2 - 26 mm
J - 190,5 mm
L - 240 mm
N - 29,5 mm
N1 - 18 mm
Weight - 5,45 Kg
Basic dynamic load rating (C) - 52,7 kN
Basic static load rating (C0) - 36 kN
Fatigue load limit (Pu) - 1,53
Limiting speed - 3 400 r/min